LDA Proiector acustic de tavan certificat EN54-24, carcasă metalică, protecție anti-foc - PCP-20TN
Proiector acustic certificat EN54-24 în carcasă metalică cu diametrul de 12.7 cm pentru linii de 70V/100V de înaltă calitate cu redare de mesaje vocale și muzică de ambient. Datorită dimensiunilor reduse, avantajul este că acesta este proiectat pentru instalarea pe suprafață, atat pentru tavane, cât și pentru pereți.
Datorită design-ului carcasei ABS 5VB protejat împotriva incendiilor, acest difuzor proiector este ideal pentru instalarea în zone în care durabilitatea elementelor este un factor care trebuie luat în considerare. Incorporează un terminal ceramic și o siguranță de izolare, astfel încât eventualele deteriorări ale unității să nu provoace o defecțiune generală a circuitului difuzoarelor la care este conectat.
PCP-20TN include un suport U din oțel, cu inclinare reglabilă și instalare ușoară, având aceeași culoare ca difuzorul în sine.
Caracteristici generale
- Difuzor de suprafață extinsă pentru evacuarea vocală de urgență
- Carcasă ABS V0
- Certificat EN54-24 pentru protecția împotriva focului
- Carcasă metalică de protecție împotriva focului
- Excelent pentru redare muzicală și mesaje vocale
- Instalare ușoară
Specificații tehnice
- Diametrul difuzorului: 12.7 cm (5’’)
- Putere maximă: 30W
- Putere nominală: 20Wrms
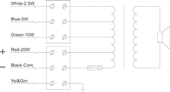
- Conexiune @ 100V: 20W / 10W / 5W / 2,5W
- Conexiune @ 70V SPL: 10W / 5W / 2,5W / 1,25W
- SPL (Pmax/1m): 95dB ± 1dB
- SPL (1W/1m): 89dB ± 1dB
- SPL (1W/4m): 77dB ± 1dB
- Raspunsul în frecvență (-10dB): 130 Hz – 20kHz
- Dispersie (-6dB) la frecvența de:
- 500Hz: 360º
- 1000Hz: 190ºH 180 ºV
- 2000Hz: 100º
- 4000Hz: 60º
- Tensiune nominală: 100V / 70V
- Impedanță nominală: 500Ω / 1kΩ / 2kΩ / 4kΩ
- Conexiune: terminal ceramic. Maxim secțiune: 2.5mm2
- Siguranță termică: 150º
- Dimensiuni: 138 mm x 205 mm
- Culoare: Alb (RAL9016)
- Grad de protecție IP: IP65
- Greutate netă: 1,75kg
- Greutate brută: 1,96kg / 17,1kg (8 unități)
- Dimensiuni produs ambalat: 175 x 175 x 28 mm / 735 x 380 x 315 mm (8 unități)
- Axă de referință este perpendiculară pe punctul central al grilei
- Planul de referință este perpendicular pe centrul axei de referință
- Planul orizontal este perpendicular pe punctul central al planului de referință
- Mediul acustic utilizat: Ecran acustic normalizat în camera specială (camera anecoică)
Schema conexiunii

Vedere de ansamblu a părții mecanice

Răspunsul în frecvență
